
- Tốc độ đóng nắp: 15-30 cái/phút
- Điện áp định mức: 110V/60Hz (Tiêu chuẩn Hoa Kỳ)
- Công suất máy: 0.8KW
- Ampe: 2.2A
- Kích thước bên ngoài: 2230*1460*1600 MM(D*R*C)
- Áp suất không khí: 0,7 MPa
- Trọng lượng: Khoảng 300 KG
Thông báo trước khi khởi động máy đóng nắp chai
1: Trước khi cắm điện cho máy, hãy đảm bảo công tắc nguồn đã ở trạng thái đóng, sau đó làm theo hướng dẫn.
2: Nếu máy không chạy trong thời gian dài, nên lau máy bằng khăn khô và không được vệ sinh bằng bất kỳ chất tẩy rửa có tính ăn mòn nào.
3: Nghiêm cấm phun bất kỳ chất lỏng nào vào hộp điện của máy, để tránh ăn mòn các linh kiện điện bên trong và gây ra hiện tượng đoản mạch.
4: Kiểm tra theo mẫu mã, thông số kỹ thuật và số lượng thiết bị, vật tư theo danh mục đóng gói thiết bị để đảm bảo đáp ứng yêu cầu về thiết kế, tiêu chuẩn sản phẩm và có chứng chỉ hợp quy kèm theo.
5: Kiểm tra bề ngoài của thiết bị để đảm bảo rằng thiết bị không bị biến dạng, hư hỏng và ăn mòn, và tất cả các trục chính đều có thể quay linh hoạt mà không bị tắc nghẽn.
6: Máy này hoạt động bằng nguồn điện xoay chiều 110V một pha và phích cắm điện 3 chân dẹt phải được cắm vào ổ cắm điện bằng dây nối đất.
Thông số kỹ thuật

- Tốc độ đóng nắp: 15-30 cái/phút
- Điện áp định mức: 110V/60Hz (Tiêu chuẩn Hoa Kỳ)
- Công suất máy: 0.8KW
- Ampe: 2.2A
- Kích thước bên ngoài: 2230*1460*1600 MM(D*R*C)
- Áp suất không khí: 0,7 MPa
- Trọng lượng: Khoảng 300 KG
Máy đóng nắp chi tiết:



Cấu trúc của máy

Mô tả mắt điện sợi quang
Mắt điện phát hiện chai lọ:

Khi hoạt động ở chế độ tự động, mục đích của mắt điện này là phát hiện các chai lọ đang chảy vào.
Khi phát hiện có chai nước chảy vào, "bàn xoay" sẽ quay.
Mắt điện tử Lid-Delivery

Khi hoạt động ở chế độ tự động, mục đích của mắt điện này là phát hiện vật cản bay tới.
Khi phát hiện nắp vào, "cơ chế lấy ra" sẽ nâng lên để lấy vật liệu.
Mắt điện tử Lid-Delivery

Khi hoạt động ở chế độ tự động: Mục đích của mắt điện này là phát hiện các chai lọ đang chảy vào.
Khi phát hiện có chai đựng, "cơ chế nắp khóa" sẽ xoay nắp khóa xuống dưới.
Nút chuyển đổi và cổng đấu dây
Màn hình cảm ứng và dừng khẩn cấp

Động cơ cấp liệu và bộ điều khiển tấm rung nắp

Bộ điều khiển tấm rung

Bộ điều khiển tấm rung: Bằng cách điều chỉnh điện áp, điều chỉnh tốc độ xả.
Công tắc nguồn và ổ cắm

Bộ điều khiển động cơ

Biến tần: Điều chỉnh tốc độ động cơ bằng cách điều chỉnh nút biến tần.
Phương pháp báo động và khắc phục sự cố:
1. Đã nhấn nút dừng khẩn cấp. Nhấn nút dừng khẩn cấp trên nắp máy và bên cạnh màn hình cảm ứng.
2. Đầu ra đạt đến giá trị cài đặt. Cài đặt đầu ra, nhấn nút xóa để xóa đầu ra hiện tại.
3. Khi không phát hiện nắp trong thời gian dài, vui lòng kiểm tra. Kiểm tra sợi cảm ứng nắp chai xem có được cung cấp tốt không. Kiểm tra xem nắp có đúng vị trí hay không.
4. Khi không phát hiện thấy chai trong thời gian dài, vui lòng kiểm tra. Kiểm tra xem chai có ở đúng vị trí không.
Điều chỉnh mắt điện tử:
Cấu trúc bộ khuếch đại

Sơ đồ cho sợi quang:

1. Thanh khóa sợi quang
2. Chỉ báo trạng thái hoạt động
3. Bộ
4. Đèn báo DSC
5. Màn hình kỹ thuật số
6. Nút thủ công
7. Vỏ bảo vệ mở rộng
8. Đầu nối mở rộng
9. Công tắc chọn nguồn
10. Nút chế độ
11. Bộ chọn đầu ra
12. Cáp
13. Bảo vệ bụi
14. Đặt giá trị (Màu xanh lá cây)
15. Giá trị hiện tại (Màu đỏ)
Quy trình làm việc cho cài đặt sợi quang
- Khi mắt điện rơi vào khe hở, giá trị dòng điện màu đỏ là 144.
- Khi mắt điện chiếu vào nhãn, giá trị dòng điện màu đỏ là 4.
- Điều chỉnh giá trị cài đặt", khoảng 1/2 giá trị mà mắt điện nằm trên giấy thân (ở khoảng cách giữa các vật thể cần phát hiện) và giá trị mà mắt điện nằm trên giấy, giá trị cài đặt là (144 4)/2=74, điều chỉnh nút thủ công để điều chỉnh giá trị cài đặt thành 74.
- Di chuyển khe hở nhãn qua lại tại vị trí mắt điện và đèn báo hiệu/đèn tín hiệu màu đỏ.
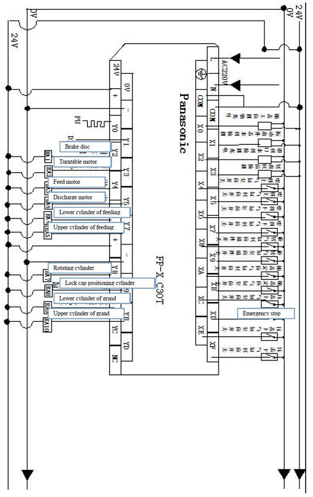
Sơ đồ mạch điện



Máy đóng nắp chai bảo trì

1. Cần phải kiểm tra, bảo dưỡng máy để kéo dài tuổi thọ máy và tối ưu hóa chức năng của máy;
- Máy làm việc phải được bảo dưỡng ba tháng một lần;
- Bộ phận truyền động bánh răng và ổ trục phải được bôi trơn bằng mỡ;
- Việc bôi trơn phải được thực hiện định kỳ;
- Dầu đường trượt (N68) cần được thêm vào bộ phận chuyển động qua lại hoặc nâng hai lần mỗi ngày;
- Dầu ô tô (N68) nên được thêm vào các bộ phận quay hoặc lắc;
- Mỗi nửa tháng, hãy thêm mỡ vào khe cam;
- Mỗi tháng một lần tra dầu vào đầu phun bằng cách thêm mỡ;
2. Không bao giờ sử dụng các công cụ bằng kim loại để đập hoặc cạo bề mặt nơi liên kết được kết dính trên các bộ phận như linh kiện hoặc khuôn.
3. Nếu máy ngừng chạy trong thời gian dài, hãy thêm mỡ bôi trơn vào các bộ phận như hộp số hoặc ổ trục; Ngoài ra, hãy xử lý máy bằng lớp bảo vệ chống thấm nước.
4. Không bao giờ đặt bất kỳ vật gì lên máy vì có thể làm hỏng máy.
5. Vệ sinh bụi bên trong các bộ phận định kỳ, đồng thời kiểm tra tất cả các ốc vít và sửa chữa bất kỳ ốc vít nào bị lỏng.
6. Kiểm tra các vít ở các đầu nối để nối dây vào một thời điểm nhất định và đảm bảo vít đã được cố định;
7. Kiểm tra xem có bất kỳ trạm nào lỏng lẻo trong đường dây điện kéo dài từ hộp điện không; Nếu bộ phận đó quá lỏng, hãy vặn lại vít để tránh mài mòn hoặc hư hỏng lớp cách điện có thể gây rò rỉ điện.
8. Kiểm tra các miếng vá dễ mòn và thay miếng vá bị hỏng kịp thời;









