
- Đầu đóng nắp: 2 bộ truyền động servo-moto
- Điện áp: 220V, 50/60HZ;
- Công suất: 3.0Kw
- Áp suất không khí: 0,5–0,7Mpa
- Ampe: 8,5A
- Tốc độ: 40-45/phút (tùy chỉnh theo hình dạng và kích thước lọ)
- Đường kính sản phẩm phù hợp: nắp φ28-φ125mm (Tùy chỉnh không theo tiêu chuẩn)
- Tỷ lệ tuyến vượt qua: ≥99,5% (Tùy thuộc vào lỗi nắp và chai)
- Kích thước máy: 3300*1150mm*1908mm
- Cân nặng: 450kg
Trước khi bật nguồn máy. Vui lòng đọc kỹ hướng dẫn này để biết các vấn đề an toàn và sử dụng máy đúng cách. Để tránh tai nạn cho người và giảm tần suất hư hỏng máy.
Trong trường hợp sử dụng sản phẩm ăn mòn, hãy cẩn thận tránh để các vật ăn mòn chạm vào hoặc bắn vào máy và nhân viên.
- Tránh sử dụng máy ở những nơi có rung động hoặc va chạm.
- Khi máy đang chạy, cơ thể của nhân viên không được chạm vào các bộ phận chuyển động.
- Nên tránh đặt máy ở những nơi quá ẩm ướt. Và cắm vào nguồn điện, nối đất đúng cách, để tránh tai nạn an toàn.
- Người vận hành phải duy trì trạng thái thể chất và tinh thần bình thường. Nếu bạn sử dụng rượu, thuốc ngủ hoặc các loại thuốc khác có hại cho trạng thái tinh thần, hãy ngừng vận hành máy.
- Người vận hành phải mặc quần áo phù hợp để tránh bị thương do quần áo vướng vào các bộ phận lăn và không được đặt bất kỳ vật dụng lạ nào lên máy.
- Trong quá trình sử dụng, nếu có tiếng ồn hoặc bất thường nào xảy ra, hãy dừng lại ngay lập tức và kiểm tra. Những người không phải là kỹ thuật viên vui lòng không tự ý chuyển các bộ phận của máy.
- Bảo trì và chăm sóc thường xuyên (một lần/tuần), tránh nước hoặc bất kỳ chất lỏng nào bắn vào hộp điều khiển điện tử hoặc các bộ phận điện khác khi vệ sinh máy.
- Vui lòng vận hành theo đúng quy trình vận hành bình thường và giữ bề mặt máy sạch sẽ và gọn gàng.
Máy đóng nắp được ứng dụng trong quá trình đóng gói tất cả các loại mỹ phẩm, thuốc, thuốc thú y, thuốc trừ sâu, dầu bôi trơn và các lĩnh vực công nghiệp khác.





Nguyên lý và tính năng của máy đóng nắp lọ:
- Điều khiển tự động bằng điện, ổn định;
- Với thiết bị định vị nắp, nắp khóa tiêu chuẩn, thao tác thuận tiện;
- Nắp khóa có phạm vi rộng, có thể xoay nhiều hình dạng khác nhau theo thông số kỹ thuật của nắp;
- Tốc độ đóng nắp, độ xoáy của dây, đồng thời cũng có thể tùy theo nhu cầu điều chỉnh độ chặt của dây quấn lại.


Thông số cơ bản của máy đóng nắp lọ mỹ phẩm:

1. Đầu đóng nắp: 2 động cơ servo
2. Điện áp: 220V, 50/60HZ;
3. Công suất: 3.0Kw
4. Áp suất không khí: 0,5--0,7Mpa
5. Ampe: 8,5A
6. Tốc độ: 40-45/phút (tùy chỉnh theo hình dạng và kích thước lọ)
7. Đường kính sản phẩm phù hợp: nắp φ28-φ125mm (tùy chỉnh không theo tiêu chuẩn)
8. Tỷ lệ tuyến vượt qua: ≥99,5% (Tùy thuộc vào lỗi nắp và chai)
9. Kích thước máy: 3300*1150mm*1908mm
10. Trọng lượng: 450kg
Mô tả phần máy chủ


Công tắc nguồn: Điều khiển nguồn điện bật---tắt。
Đèn báo nguồn: bật nguồn—đèn xanh bật, tắt nguồn---đèn xanh tắt.
Dừng khẩn cấp: Dùng để dừng máy ngay lập tức hoặc thiết lập lại chức năng trong trường hợp khẩn cấp hoặc có sự cố.
1. Bắt đầu quang điện: Máy đang hoạt động, khi phát hiện quang điện phát hiện có chai và có nắp, Bàn xoay có thể bắt đầu hoạt động. Nếu một trong hai quang điện không được phát hiện, bàn xoay sẽ không quay.
2. Nguồn gốc quang điện: Dùng để điều khiển động cơ bước để điều khiển vị trí của bàn xoay, giúp chai có thể được đưa vào nắp một cách trơn tru.
3. Điện quang của nắp: Kiểm tra xem nắp đã được lắp đúng vị trí chưa và phát hiện bằng quang điện rằng có một đĩa xoay nắp để xoay.
4. Điện quang phủ: Kiểm soát việc khởi động và dừng của máy đóng nắp trên, khi nắp do máy đóng nắp trên cung cấp được sắp xếp đến vị trí được phát hiện bởi quang điện, quang điện luôn sáng, máy đóng nắp dừng lại để đóng nắp và thực hiện đóng nắp thông minh.
5. Nắp khóa quang điện: Khi chai có nắp đi qua, cảm biến quang điện sẽ phát hiện và nắp khóa sẽ được kích hoạt theo thời gian trễ đã cài đặt (các thông số cụ thể được điều chỉnh theo tốc độ của băng tải khi điều chỉnh máy).
6. Hệ thống nắp khóa: Chai có nắp giống nhau, độ trễ khởi động quang điện, độ trễ đến chai kẹp xi lanh, nắp khóa được hạ xuống, nắp kẹp - nắp vặn - nhả kẹp - nắp khóa nâng lên - chai kẹp được nới lỏng và quá trình nắp khóa hoàn tất. Trong nắp khóa, khi nắp khóa 1# ở trong nắp khóa, một chai khác đi vào. Lúc này, xi lanh chai kẹp 2# di chuyển và nắp khóa 2# được kích hoạt để khóa nắp. (Khi nắp đã được khóa bằng đầu khóa 2# đi qua chai kẹp 1#, không lặp lại nắp khóa.

Mô tả giao diện người-máy

Trang khởi động
3.1 Trang khởi động có lựa chọn thao tác bằng tiếng Anh, tiếng Trung, nếu bạn chọn nút tiếng Trung, hãy vào giao diện sau:

Giao diện thứ hai
Dừng lại: Công tắc khởi động toàn bộ máy, chạm vào phím này, máy chạy ở chế độ tự động, chạm lại phím này, máy dừng chạy.
Cổng kiểm tra: Kiểm tra hoạt động của máy.
Tốc độ quay đĩa: Tham số tốc độ càng lớn thì tốc độ càng nhanh, tham số tốc độ càng chậm. (Nhưng vẫn có giới hạn tối đa.)。
Độ trễ của bàn xoay: Cài đặt thời gian khởi động mâm xoay, theo hiệu ứng chạy mượt mà của mâm xoay.
Độ trễ giới hạn: Sau khi đưa mâm xoay đến trạm chỉ định, trì hoãn thời gian chờ, nắp xi lanh hoạt động.
Thời gian đóng nắp: Thời gian cần thiết để niêm phong xi lanh.
Đầu ra: Hoàn thành bản ghi số lượng nắp khóa, thuận tiện cho việc đếm sản lượng. Nhấn phím-reset-để xóa.
X1.X3.X14: Kiểm tra xem quang điện có ở trạng thái hoạt động của phản xạ hay không, dễ dàng quan sát trạng thái hoạt động của máy,
Tham số giới hạn: Nhấn phím này và vào giao diện sau:

Giao diện là trang tham số được thiết lập cho mỗi hành động của đầu khóa 1 # trong hệ thống nắp khóa servo, việc thiết lập hợp lý các tham số có lợi cho sự ổn định của máy và cải thiện hiệu quả.
Trở lại: Nhấn nút này để trở về giao diện thứ hai.
Đầu vào/Đầu ra: Nhấn nút này để vào giao diện sau:

Điểm của dòng X: Là điểm vào để phát hiện quang điện có đang trong trạng thái hoạt động hay không, dễ dàng quan sát hoạt động của máy, dễ bảo trì.
Điểm Y: Là điểm đầu ra của các thành phần điều hành có trạng thái phản hồi bình thường, cũng có thể nhấn phím điều khiển bằng tay để kiểm tra xem các thành phần thực hiện có bình thường hay không.
Hệ thống nạp nắp: Có thể ổn định và có trật tự theo hướng quy định để che phủ.
Điều chỉnh độ nghiêng: Có thể điều chỉnh góc hợp lý để kiểm soát nắp ngược không bị trượt vào trong.
Điều chỉnh biến tần: kiểm soát tốc độ của nắp.


Bảo trì thiết bị đóng nắp lọ:
1. Duy trì máy trong điều kiện tắt nguồn và tắt gas để đảm bảo an toàn. Giữ máy sạch sẽ và gọn gàng, không có đồ lặt vặt trên máy, không có đồ vật nhỏ, phụ kiện, bu lông, v.v.
2. Và dầu bôi trơn được bổ sung thường xuyên vào cơ cấu chuyển động để đảm bảo cơ cấu hoạt động tốt.
3. Thường xuyên xả nước khỏi bộ lọc khí và thêm dầu bôi trơn để đảm bảo sử dụng xi lanh đúng cách và kéo dài tuổi thọ.
4. Kiểm tra và sửa chữa máy thường xuyên. Đánh giá tình trạng hoạt động của thiết bị bằng mắt và tai để đảm bảo máy hoạt động tốt.
Ghi chú: vui lòng sử dụng và bảo dưỡng theo đúng hướng dẫn, thời hạn bảo hành nghiêm cấm mở và tháo rời, nếu không thì thiệt hại do việc này gây ra là do con người, không được sửa chữa miễn phí. Hướng dẫn này có thể thay đổi mà không cần thông báo; nếu vẫn còn bất kỳ sự không chắc chắn nào về hoạt động của máy này, vui lòng gọi cho chúng tôi bất cứ lúc nào để được giải đáp thắc mắc
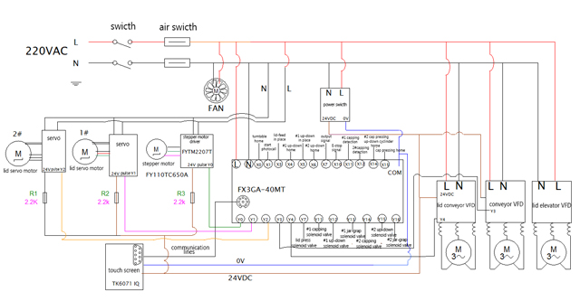
Sơ đồ điện đính kèm:

Mẫu nắp lọ đã hoàn thiện của máy đóng nắp lọ:





Điểm: Đối với lọ đen vuông do nắp dễ bị trầy xước nên được thiết kế với hệ thống nhấc để kéo nắp lọ ra khỏi khay và đặt vào trạm đóng nắp sẵn sàng để đóng nắp. Nguyên lý hoạt động chi tiết được minh họa như sau: Quy trình hoạt động:
1. Đặt nắp thủ công vào khay (15*15 hoặc 10*10)

2. Đặt khay vào trạm lấy đồ sẵn sàng
3. Robot đang nhặt lọ

4. Định vị chai và hoàn thiện quy trình đóng nắp
5. Đầu ra lọ có nắp











